Search Log In Quote CZ / EN / AR

1LA7133-4AA

Producer: SIEMENS

1LA.. / 1LG.. motors
1LA7133-4AA
Three-phase squirrel-cage motor, energy saving. Basic line suitable for using in all kinds of standard drives applications including fans, pumps, conveyor belts, etc.). Suitable also for frequency converter driven applications.
Basic design description: TEFC self cooling motor IC411, for continuous...

More information

This product is not available. Please, choose an alternative.
Product specifications
power (kW) 7,50
speed (rpm) 1 455
efficiency IE1
number of poles (pole) 4
motor housing Aluminium
protection IP55
motor frame size 132M
insulation class F
basic voltage (V) 400/690V D/Y 50Hz; 460V D 60Hz
rated imput current (A) 15,2/8,81
output torque (Nm) 49,20
weight (kg) 49
motor load S1
bearings DE/NDE 6208 2ZC3 / 6208 2ZC3
Status doprodej, doporučujeme náhradu
Replacement IE1: 1LE1002-1CB2, nebo IE2: 1LE1001-1CB2
Polarity :: 4-pole (1500 rpm) Efficiency :: IE1 (Standard Efficiency) Ex-proof design :: No protection - only for non-hazardous area Ex-proof design :: Zone 2 possible Ex-proof design :: Zone 21 possible Ex-proof design :: Zone 22 possible Operation type :: DOL / VSD Availability EXW :: Delivery term a availability upon request Motor body :: Aluminum Product status :: Production terminated - ask for replacement
Polarity Efficiency Ex-proof Operation Avail. Material Status

Compare a product


Configuration

Documentation

Description

Dimensions

Accessories

Product design (mandatory options):

Motor voltage

Motor design

Product configuration (voluntary options):

IE1 motors in accordance with directive EU 2009/12

mandatory option

thermal protection

modular extensions

brake voltage

(available only in combination with G26 or F01 option)

manual brake release

(available only in combination with G26 or F01 option)

other pulse generators

other voltages

bearings

locating bearings

regreasing device

test certificates

national certificates and standards

protection degree

terminal box position

terminal inputs position

shaft extension

rotor balancing

windings heating

windings and insulation, increased ambient tempera

low ambient temperature

increased air humidity

design for Zone 2, 21 or 22

(not available in combination with modular extensions)

other motor design

Documentation

Dokumentace na vyžádání

Dimensions

1LA713I MB3 (foot-standing) dimensions
1LA713I MB3 (foot-standing) dimensions
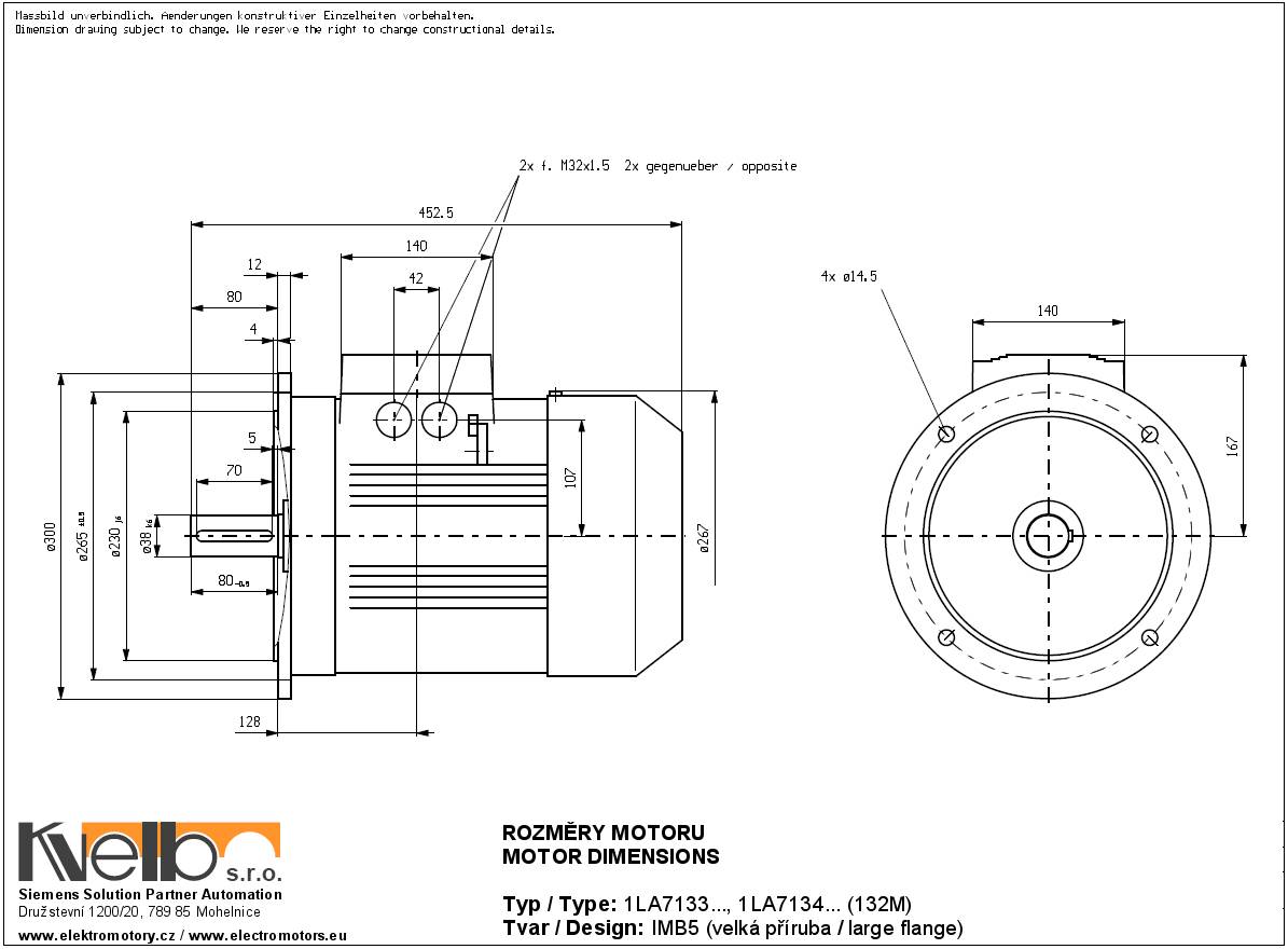
1LA713 IMB5 (large flange) dimensions
1LA713 IMB5 (large flange) dimensions
1LA713 IMB14FT (small flange) dimensions
1LA713 IMB14FT (small flange) dimensions
1LA713 IMB14FT (medium flange) dimensions
1LA713 IMB14FT (medium flange) dimensions

Description

Three-phase squirrel-cage motor, energy saving. Basic line suitable for using in all kinds of standard drives applications including fans, pumps, conveyor belts, etc.). Suitable also for frequency converter driven applications.

Basic design description: TEFC self cooling motor IC411, for continuous duty S1, ambient temperature -20 to +40°C, altitude up to 1000 m a.s.l., without thermal protection

Produkt nemá přiřazeno žádné příslušenství

This product is not available. Please, choose an alternative.